我们今天能为您提供什么帮助?

ATV630、ATV930变频器配置无源滤波器*2时,应该如何接线?

问题描述:
ATV630、ATV930变频器配置无源滤波器*2时,应该如何接线?

所属产品线:
ATV御程系列变频器

解决方法:

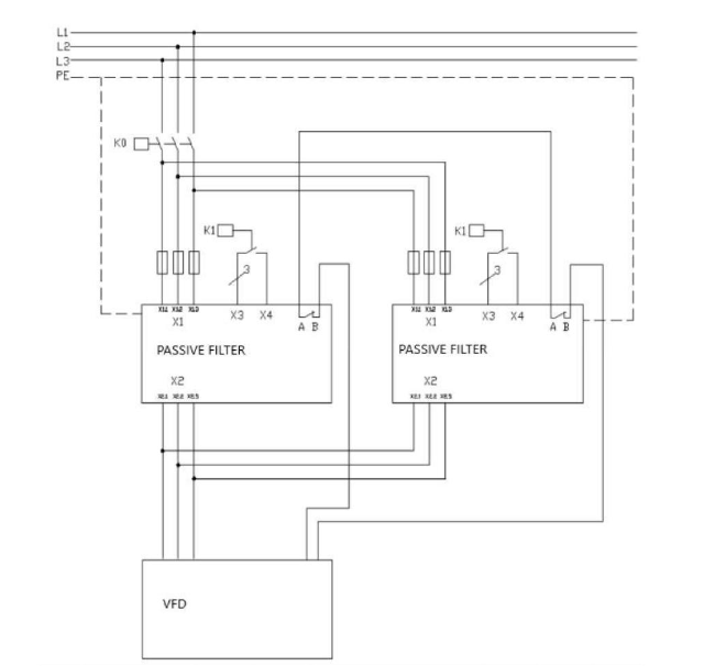
ATV630、ATV930变频器配置无源滤波器*2时,两个滤波器应该并联接线,具体接线如下图。



是否有帮助?

  • 产品文档
  • 软件下载
  • 产品选型工具
  • 产品替代和更换
  • 帮助和联系中心
  • 查找我们的办事处
  • 获取报价
  • 开发者社区
  • 人才招聘与职业发展
  • 公司介绍
  • 新闻中心
  • 投资者
  • EcoStruxure 架构与平台
  • 职位搜索
  • mySchneider一站式数字化业务平台
  • 搜索常见问题解答
  • 科普文章
  • 支持中心热线 4008101315
  • Cookie通告
  • 使用条款
  • 京ICP备05053940号
  • 更改您的 cookies 设置