BCH18或BEH18电机编码器线缆VW3M8B11Rxx、VW3M8B13Rxx、VW3M8B21Rxx是如何接线的?
问题描述:
BCH18或BEH18电机编码器线缆VW3M8B11Rxx、VW3M8B13Rxx、VW3M8B21Rxx是如何接线的?所属产品线:
Lexium 18系列伺服解决方法:
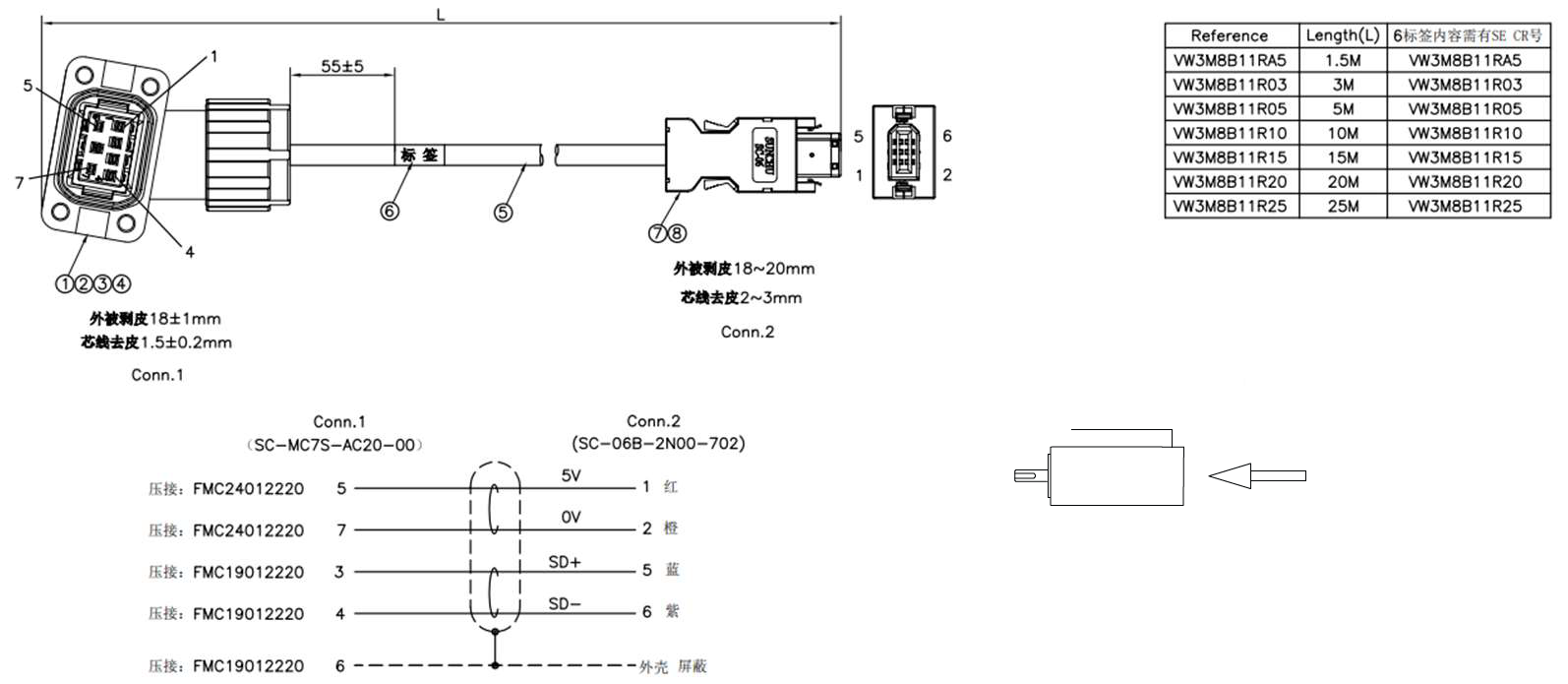
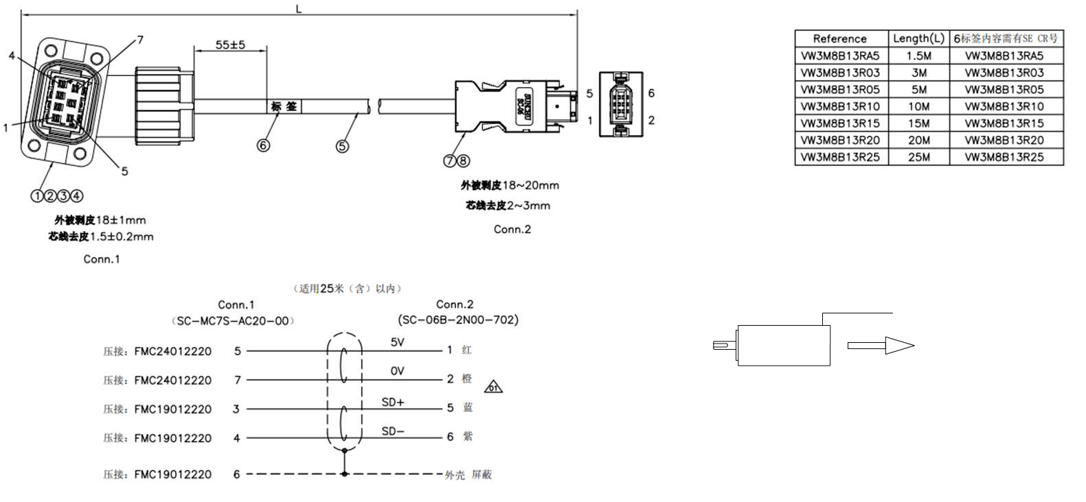
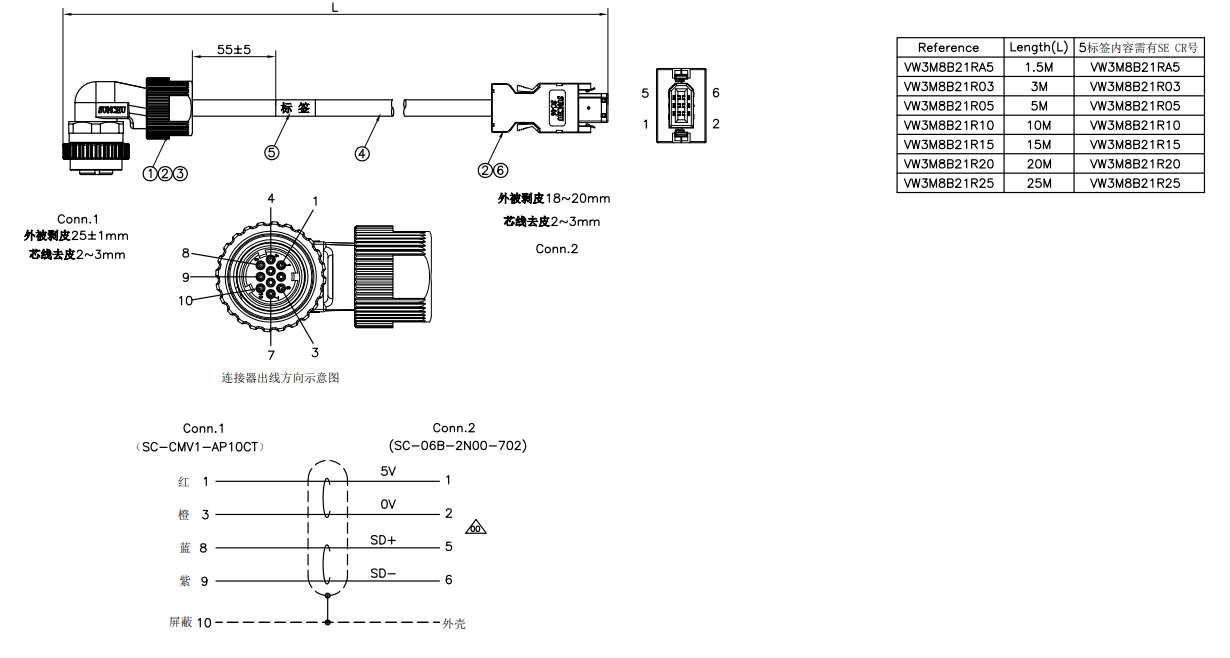
BCH18或BEH18伺服电机编码器线缆VW3M8B11Rxx、VW3M8B13Rxx、VW3M8B21Rxx的接线图分别如下图所示:
(1) 电机编码器电缆塑料插头出线方向与电机轴一致

(2) 电机编码器电缆塑料插头出线方向与电机轴相反

(3) 电机编码器电缆军规插头

是否有帮助?

